Class
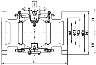
公稱尺寸 NPS | 結構尺寸/mm | 公稱壓力 Class | 公稱尺寸 NPS | 結構尺寸/mm | | d/d1 | L | d/d1 | L |
| 150 | ?×? | 13/19 | 117 | 150 | 14×10 | 252/334 | 686 |
| 1×? | 19/25 | 127 | 14×12 | 303/334 | 686 |
| 1?×1? | 32/38 | 165 | 16×12 | 303/385 | 762 |
| 2×1? | 38/50 | 178 | 16×14 | 334/385 | 762 |
| 3×2 | 50/75 | 203 | 18×16 | 385/436 | 864 |
| 4×3 | 75/100 | 229 | 20×16 | 385/487 | 914 |
| 6×4 | 100/150 | 394 | 20×18 | 436/487 | 914 |
| 8×6 | 150/201 | 457 | 24×20 | 487/589 | 1067 |
| 10×8 | 201/252 | 533 | 30×24 | 589/735 | 1295 |
| 12×10 | 252/303 | 610 | 36×30 | 735/874 | 1524 |
| 表中未列出的其他規格參數,請咨詢汗越閥門技術部! |
縮徑球閥結構圖
